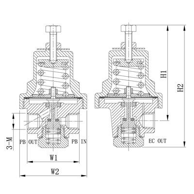
低温组合式调压阀 DYZ-06B/C


设计温度: -196℃~+85℃
适用介质: LNG、LO2、LN2、LAr、CO2
主要零部件材料:
阀体、阀盖: HPb59-1
膜片: QSn6.5-0.1
主密封件:PFA

资讯
- 上海百图低温阀门有限公司诚邀您参加2023第23届北京国际天然气车船、加气站设备展览会
- 喜讯:热烈庆祝上海百图低温阀门有限公司获得上海市标准化示范试点项目验收证书
- 上海百图低温阀门有限公司7月19日开展了消防安全知识培训及消防安全应急疏散演练
- 上海百图低温阀门有限公司8月25日公司举行了应急疏散消防演习活动
- 诚邀您莅临 第二十二届中国国际天然气车船加气站设备展览会
-
联系
- 地址:上海市嘉定区兴荣路460号
- 服务热线:400-9215-698
- QQ(销售助理):421230647
Copyright © 上海百图低温阀门有限公司 版权所有